Conception et fabrication d’un broyeur à plastique en vue de fabriquer du filament pour l'impression 3D à partir de granulés :
un projet mêlant mécanique, conception 3D, prototypage et fabrication.
Sur internet, des personnes utilisaient soit des broyeurs à papier ou des vrais broyeurs fabriqués ou achetés.
Mon problème était que les broyeurs neufs faits exprès pour broyer du plastique étaient trop chers pour moi ou trop petits.
J'ai donc décidé en premier temps d'essayer un broyeur à papier d'occasion pour me rendre compte de la façon dont c'est fait et voir si cela suffit pour mon besoin, si c'est assez rigide.
Sur internet j'ai vu que quelques personnes utilisaient de simples broyeurs à papier un minimum puissant pour broyer du plastique.
Le problème est qu'avec le temps les dents des lames se plient car elles ne sont pas faites pour découper un matériau plus dur que du papier. Et l'engrenage entre les deux axes n'est pas dimensionné pour mon utilité car les roues dentées font 6 mm d'épaisseur.
carter en plastique
J'ai en premier temps voulu garder la structure du broyeur à papier mais en changeant les lames et l'engrenage car c'étaient les points les plus fragiles du broyeur original.
Après réflexion, j'ai décidé de fabriquer également le carter en plastique pour avoir les bonnes dimensions et une meilleure rigidité car il était fait en ABS fin de base.
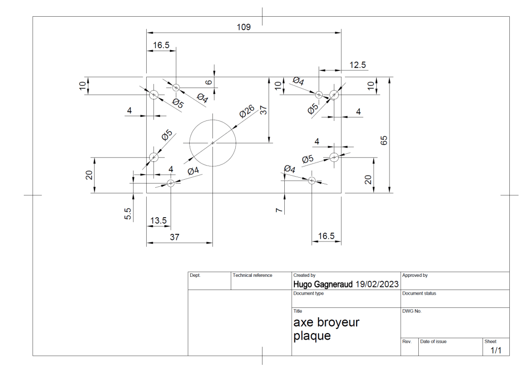
Plaque de lames et d'entretoises
J'ai donc fait découper au laser par la société Mydécoupemetal deux plaques contenant les nouvelles lames et entretoises. J'ai choisi de les faire en acier Creusabro car c'est un acier très résistant, et j'ai redessiné la forme des lames pour avoir une meilleure résistance mécanique. Donc les dents ne se plieront pas comme sur le broyeur à papier. De plus ce métal ne s'usera pas trop à cause des frottements.
J'ai choisi de réaliser deux plaques et non les pièces séparément car cela coûtait moins cher et j'étais prêt à redécouper manuellement par la suite chaque pièce des plaques.
Bloc carter ajusté
J'ai donc redessiné un carter en deux parties pour que le plastique ne vienne pas s'incruster et se bloquer entre les lames, au-dessus des entretoises. J'ai prévu deux coussinets en laiton au milieu pour empêcher les deux axes de lames de fléchir lorsque cela broiera le plastique. Avec les efforts dus à la résistance du plastique, c'est inévitable.
CAO du broyeur
J'ai utilisé deux cornières que j'ai en stock pour rendre la structure du broyeur encore plus solide. Il y a également une boite à graisse au niveau de l'engrenage et des paliers glissants des axes pour assurer un bon mouvement.
CAO complète
Le broyeur est couplé à un réducteur qui lui-même est couplé à un moteur. Le réducteur est là pour avoir une vitesse de rotation des lames assez faible et un couple élevé pour avoir une force de coupe assez forte comme on le souhaite.
Le tout est positionné sur une table en bois déjà existante.
J'ai réalisé les plans nécessaires pour fabriquer les pièces supplémentaires.
Il y a donc les deux cornières en acier qui solidifient le tout, des plaques en acier qui lient ces deux cornières aux parties utilisées de l'ancien broyeur (plaques sur lesquelles il y a les paliers glissants des axes), etc.
Les plans que j'ai faits sont disponibles ici.
2 axes du broyeur
J'ai découpé les deux plaques pour obtenir les lames et les entretoises.
Sur quelques lames, la pointe des dents était arrondie, sûrement à cause d'un mauvais paramétrage lors de la découpe laser. J'ai donc aiguisé à la lime les dents des lames pour qu'elles coupent parfaitement le plastique.
J'ai dû poncer les impressions 3D car elles n'étaient pas exactement de la cote que j'avais prévue. Après cela, tous les éléments se sont assemblés facilement comme prévu dans la CAO.
Après avoir essayé le broyeur avec le nouveau bloc carter et les nouvelles lames, il y avait énormément de frottements entre ces éléments, ce qui faisait ramollir, voire fondre le plastique du bloc-carter.
Il fallait donc que je revoie la matière et le jeu dans le bloc carter car cela détruisait le bloc carter et polluait les granulés.
CAO du nouveau bloc carter
J'ai donc choisi de faire un carter plus durable en aluminium. Pour réduire les coûts d'usinage, j'ai décidé de faire plusieurs plaques qui seront serrées ensemble pour ne former qu'un seul bloc plutôt que de faire une seule pièce à usiner (d'autant plus que les formes sont complexes).
J'ai modifié et organisé les plaques de sorte que je puisse les usiner et les découper. J'ai assemblé les plaques de chaque côté en enlevant les formes circulaires intérieures, puisque je passerai un coup de scie cloche pour avoir le bon diamètre. Il y a aussi les trous de centrage où je viendrai percer au bon diamètre.
Découpe laser des plaques
J'ai donc fait appel à Mydecoupemetal pour me découper au laser toutes mes plaques.
J'ai donc fait mes découpes et usinages, et j'ai assemblé les différentes pièces dans le bon ordre car il n'y a pas les mêmes dimensions de chaque côté des lames.
On voit que le rendu est plutôt bon grâce à la qualité de la découpe des plaques. Les plaques sont placées parfaitement au contact des deux cornières, comme prévu dans la CAO.
Granulés de bouchons de bouteille (PEHD)
Avec ce broyeur je vais donc pouvoir créer des granulés à partir de plastique en vue de fabriquer du filament pour imprimante 3D. Ce projet est donc en corrélation avec mon autre projet d'extrudeuse.
Ce projet m'a permis d'appliquer mes compétences en mécanique, en dimensionnement et en procédé de fabrication acquis durant mes années de BUT. Il m'a aussi permis de mettre en application mes compétences en conception 3D sur Fusion 360.
Offline Website Software